Комбинация корпусов SKF, подшипников и комплектующих - это отличный выбор для создания индивидуального, надежного и долговечного решения для вашей валовой системы.
SKF предлагает широкий ассортимент высококачественных конструкций и размеров корпусов для решения ваших конкретных задач, включая специально разработанные корпуса для особых применений.
Подшипники отражают современные технологии SKF, обеспечивая высочайшее качество.
Каждую деталь в комбинации необходимо приобретать отдельно:
Стопорная гайка с метрической резьбой для фиксации стопорной шайбой: KM 17
Стопорная шайба для метрических стопорных гаек: MB 17
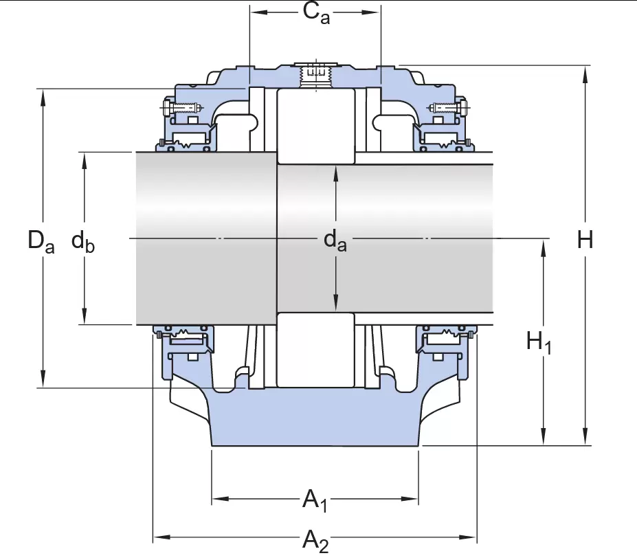
Установочное (стабилизирующее) кольцо: 2 x FRB 14.5/180. Корпус с уплотнениями (FSNL 317 TURU)
- включая сальник (TSN 317 U)
Подшипник (21317 E)
Стопорная гайка (KM 17)
Стопорная шайба (MB 17)
Установочное кольцо (FRB 14.5/180)
Торцевая крышка (ASNH 520-617 R).





