Характеристики SHW 12 CRM
| Характеристики направляющей | |
| Серия направляющих | SHW |
| Тип направляющей | шариковые направляющие |
| Класс точности | N - нормальный |
| Типоразмер | 12 |
| Характеристики каретки | |
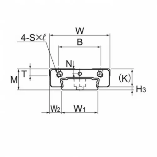
| B, мм | 21 |
| C, мм | 12 |
| K, мм | 10 |
| L, мм | 37 |
| L1, мм | 27 |
| M, мм | 12 |
| M1, мм | 6.6 |
| N, мм | 2.8 |
| S×ℓ | M3×3,5 |
| T, мм | 4 |
| W, мм | 30 |
| Версия каретки | с шариковым сепаратором |
| Высота каретки | стандартной высоты |
| Длина каретки | стандартной длины |
| Серия кареток | SHW-CRM |
| Тип конструкции каретки | блочного исполнения |
| Ширина каретки | стандартной ширины |
| Вес каретки, кг. | 0.04 |
| Характеристики рельса | |
| W1, мм | 18 |
| d1×d2×h, мм | 4,5×7,5×5,3 |
| F, мм | 40 |
| H3, мм | 2 |
| W2, мм | 6 |
| Максимальная длина рельса, мм | 1230 |
| Вес рельса, кг/м | 0.8 |
| Нагрузки | |
| Динамическая грузоподьемность, kN | 4.31 |
| Доп. стат. момент (1 каретка) Мb, kHm | 0.0228 |
| Доп. стат. момент (1 каретка) Мc, kHm | 0.0405 |
| Доп. стат. момент (1 каретка) Ма, kHm | 0.0228 |
| Доп. стат. момент (2 каретки) Мb, kHm | 0.12 |
| Доп. стат. момент (2 каретки) Ма, kHm | 0.12 |
| Статическая грузоподьемность, kN | 5.66 |


