Производство по чертежам Подбор аналогов Цены производителя Оригинальная продукция в короткие сроки
INNERпроизводство и поставка промышленных комплектующих и оборудования
INNER
Контакты

Червячный одноступенчатый редуктор Ч-125

Товар Червячный одноступенчатый редуктор Ч-125
  • Червячный одноступенчатый редуктор Ч-125
  • Червячный одноступенчатый редуктор Ч-125
  • Червячный одноступенчатый редуктор Ч-125
В наличии
Информация о товаре, включая указанную стоимость, носит исключительно информационный характер и не является публичной офертой, определяемой положениями ст. 437 Гражданского кодекса РФ.

Актуальную цену, наличие и условия поставки товара просим уточнять у специалистов отдела продаж.

В настоящее время компания осуществляет отгрузку продукции только юридическим лицам по безналичному расчету.
  • Характеристики
  • Описание
  • Серия
    Ч

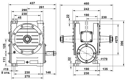
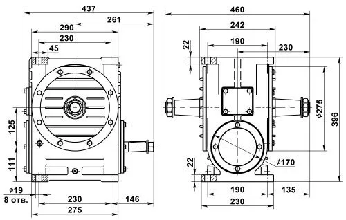
Одноступенчатый червячный редуктор Ч-125 предназначен для работы с нагрузкой различного типа (постоянная, переменная, однонаправленная, реверсивная). Привод производится в нескольких вариантах исполнения с различным пространственным расположением червячной пары. Опционально оснащается вентилятором.

КПД редуктора на высоких оборотах достигает 93%. Выходные валы могут иметь коническое, цилиндрическое и шлицевое исполнение. Редуктор Ч-125 выполнен в неразъемном чугунном корпусе в двух вариантах климатического исполнения ("У" и "Т"). Общий вес агрегата - 88 кг.

Пример условного обозначения редуктора в заказе

Редуктор Ч-125-13-53-У3-В

  • Ч — тип редуктора;
  • 125 — межосевое расстояние, мм;
  • 13 — номинальное передаточное число;
  • 53 — вариант сборки;
  • У3 — климатическое исполнение;
  • В — наличие вентилятора (для режима работы — 1).