Производство по чертежам Подбор аналогов Цены производителя Оригинальная продукция в короткие сроки
INNERпроизводство и поставка промышленных комплектующих и оборудования
INNER
Контакты

Червячный редуктор 2Ч-63

Товар Червячный редуктор 2Ч-63
  • Червячный редуктор 2Ч-63
  • Червячный редуктор 2Ч-63
  • Червячный редуктор 2Ч-63
В наличии
Информация о товаре, включая указанную стоимость, носит исключительно информационный характер и не является публичной офертой, определяемой положениями ст. 437 Гражданского кодекса РФ.

Актуальную цену, наличие и условия поставки товара просим уточнять у специалистов отдела продаж.

В настоящее время компания осуществляет отгрузку продукции только юридическим лицам по безналичному расчету.
  • Характеристики
  • Описание
  • Серия
  • Передаточное число
    12,5
  • Межосевое расстояние, мм
    63
  • Вариант сборки
    53
  • Климатическое исполнение
    У2

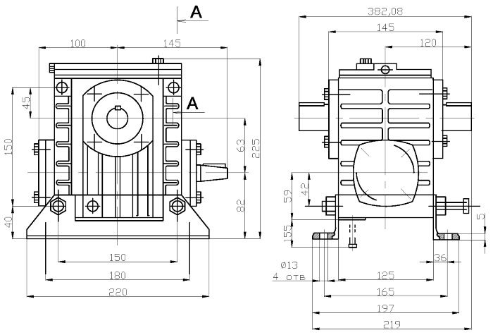
Червячный редуктор 2Ч-63 (2ЧМ-63) - универсальный привод с одной передаточной ступенью. Редуктор выпускается в шести вариантах сборки с цилиндрическим или коническим выходным валом и в двух вариантах с полым валом. Червячная пара может располагаться над и под червячным колесом, слева и справа от него, горизонтально или вертикально. В зависимости от расположения червячной пары смазка агрегата осуществляется разбрызгиванием, либо с помощью маслянной ванны.

Редуктор 2Ч-63 может комплектоваться опорным фланцем. Номинальные передаточные числа варьируются в диапазоне от 8 до 80. Крутящий момент на выходном валу достигает 120 Н*м. Вес редуктора - 13 кг. Климатическое исполнение: У, ХЛ, Т нескольких категорий.

Условное обозначение

Редуктор 2Ч-63-50-53-2-У2 С

  • 2Ч - червячный одноступенчатый редуктор
  • 63 - межосевое расстояние, мм
  • 12,5 - номинальное передаточное число
  • 53 - вариант сборки
  • 3 - вариант расположения червячной пары
  • У2 - климатическое исполнение
  • С - индекс, определяющий наличие в редукторе смазки "Трансол-200"