Производство по чертежам Подбор аналогов Цены производителя Оригинальная продукция в короткие сроки
INNERпроизводство и поставка промышленных комплектующих и оборудования
INNER
Контакты

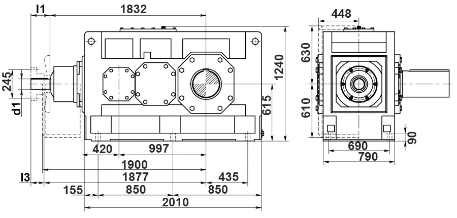
Цилиндро-конический редуктор B3.H19

Товар Цилиндро-конический редуктор B3.H19
  • Цилиндро-конический редуктор B3.H19
  • Цилиндро-конический редуктор B3.H19
  • Цилиндро-конический редуктор B3.H19
В наличии
Информация о товаре, включая указанную стоимость, носит исключительно информационный характер и не является публичной офертой, определяемой положениями ст. 437 Гражданского кодекса РФ.

Актуальную цену, наличие и условия поставки товара просим уточнять у специалистов отдела продаж.

В настоящее время компания осуществляет отгрузку продукции только юридическим лицам по безналичному расчету.
  • Характеристики
  • Описание
  • Серия
    B3
  • Типоразмер
    19
  • Передаточное отношение
    12,5
  • Количество передаточных ступеней
    3
  • Вариант сборки
    D

Индустриальный цилиндро-конический редуктор B3.H19 имеет три передаточные ступени: в двух из них установлены зубчатые передачи с цилиндрическими зубчатыми колесами, в одной — с коническими. Оси валов расположены под прямым углом. Крутящий момент редуктора — до 300 000 Н*м. Расчетная мощность электродвигателя — до 3000 кВт. Редуктор может комплектоваться сплошным или полым выходным валом со стяжной муфтой или эвольвентным шлицем.

Схема типового обозначения

B - 3 - S - H - 19 - 12,5 - D

  • B - серия редуктора
  • 3 - количество передаточных ступеней
  • S - исполнение выходного вала (S - сплошной; H - полый; D - полый со стяжной муфтой; K - полый шлицевой)
  • H - монтажное исполнение (H - горизонтальное; V - вертикальное)
  • 19 - типоразмер
  • 12,5 - передаточное отношение
  • D - вариант сборки