Характеристики RWU 55 E-H
| Характеристики направляющей | |
| Серия направляющих | RWU |
| Тип направляющей | роликовые направляющие |
| Типоразмер | 55 |
| Характеристики каретки | |
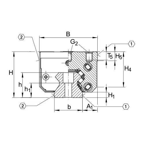
| A1, мм | 23.5 |
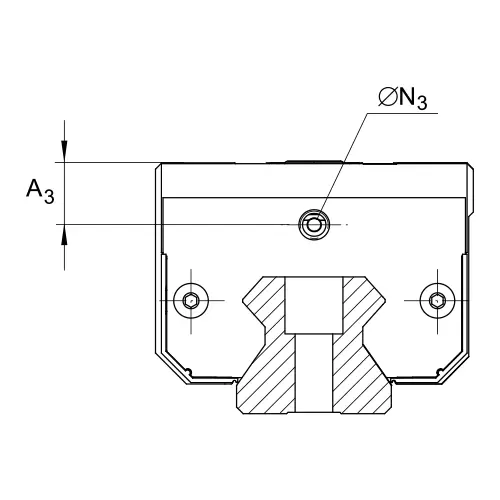
| A3, мм | 18.1 |
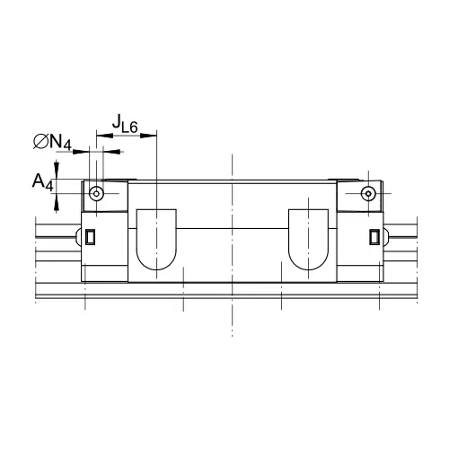
| A4, мм | 18.1 |
| B, мм | 100 |
| G2 | M12 |
| Gs | M4x4 |
| H, мм | 80 |
| H1, мм | 11 |
| H4, мм | 61.4 |
| H5, мм | 16 |
| JB, мм | 75 |
| JL, мм | 75 |
| JL5, мм | 31.6 |
| JL6, мм | 42.9 |
| L, мм | 172.7 |
| L1, мм | 127 |
| Ls, мм | 2.75 |
| N2, мм | 6 |
| N3 | M6 |
| N4 | M6 |
| O, мм | 10x1,5 |
| T5, мм | 15 |
| W10, мм | 10 |
| W7, мм | 7 |
| W8, мм | 8 |
| Версия каретки | с роликовым сепаратором |
| Высота каретки | высокая |
| Длина каретки | стандартная длина |
| Серия кареток | RWU-E-H |
| Тип конструкции каретки | блочного исполнения |
| Ширина каретки | стандартной ширины |
| Материал каретки | сталь |
| Вес каретки, кг. | 4.94 |
| Характеристики рельса | |
| aL max, мм | 47 |
| aL min, мм | 20 |
| aR max, мм | 47 |
| aR min, мм | 20 |
| b, мм. | 53 |
| h1, мм. | 22.5 |
| jL, мм. | 60 |
| K1 | M14 |
| Максимальная длина рельса, мм | 2520 |
| h, мм. | 45 |
| Вес рельса, кг/м | 13.1 |
| Нагрузки | |
| Динамическая грузоподъемность C, Н | 136000 |
| Статическая грузоподъемность C0, Н | 320000 |
| M0x, Nm | 3287 |
| M0y, Nm | 7404 |
| M0z, Nm | 6667 |








