Планетарный мотор-редуктор SPN16 производится компанией SUPROR и является полным аналогом агрегата Bonfiglioli 316. Мощность комплектного электродвигателя составляет 17,5 — 200 кВт (в соосном исполнении). Диапазон передаточных чисел: 17,4 — 1237.
Монтажное исполнение / исполнение выходного вала
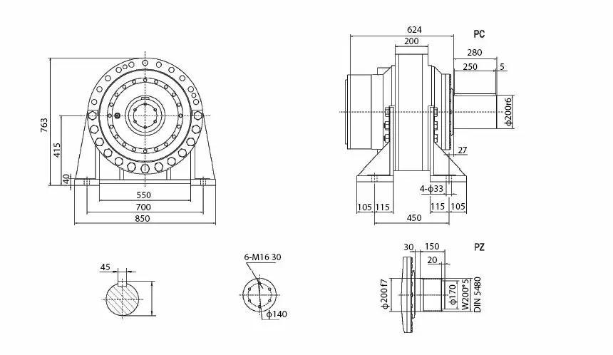
PC - лапы и вал со шпонкой
MC - фланец и вал со шпонкой
HC - фланец и усиленный вал со шпонкой
FP - фланец и полый вал со стяжной муфтой
PZ - лапы и шлицевой вал
MZ - фланец и шлицевой вал
HZ - фланец и усиленный шлицевой вал
FZ - фланец и полый шлицевой вал
VK - вертикальное фланцевое исполнение выходного вала для мешалок и миксеров
Условное обозначение
SPN 16 R 4 443 HC D100 A W
- SPN - мотор-редуктор планетарный
- 16 - типоразмер
- R - исполнение (L - соосный; R - угловой)
- 4 - количество ступеней
- 443 - передаточное число
- HC - исполнение выходного вала
- D100 - исполнение входного вала
- A - монтажная позиция
- W - опции выходного вала

