Производство по чертежам
Подбор аналогов
Цены производителя
Оригинальная продукция в короткие сроки
О компании
Партнёрам
Доставка и оплата
Контакты
Скачать приложение
Пн-Пт: 9:00 - 18:00
Москва
+7 (499) 302-16-40
Подшипниковая продукция
Системы линейного перемещения
Измерительный инструмент
Гидравлика и пневматика
Электропривод
Масла и смазки
Автоматизация
Производство
INNER
ENGINEERING
Каталог
Каталог
Информация
Продажи:
sale@inner.su
Копировать
Инженеру:
engi@inner.su
Копировать
Заказать звонок
0
Войдите, чтобы использовать избранное
Войти
INNER
—
производство и поставка промышленных комплектующих и оборудования
RU
EN
中文
Меню
Главная
Каталог
Показать еще
Подшипники
Высокотемпературные подшипники
Закрепительные втулки
Корпусные подшипники
Низкотемпературные подшипники
Обгонные муфты
Обгонные муфты INNER
Опорно-поворотные устройства
Опорные ролики
Подшипники ART
Подшипники ASAHI
Подшипники BECO
Подшипники IKO
Подшипники INA
Подшипники KOYO
Подшипники NACHI
Подшипники NKE
Подшипники NSK
Подшипники NTN
Подшипники TIMKEN
Подшипники ZKL
Подшипники из нержавеющей стали
Подшипники скольжения
Роликовые подшипники
Сферический наконечник для штока
Шариковые подшипники
Шариковые подшипники ГОСТ
Шарнирные наконечники
Показать еще
Подшипниковые узлы
Подшипниковые узлы UK
Подшипниковые узлы UC
Подшипниковые узлы SB
Кассетные подшипниковые узлы
Натяжные подшипниковые узлы
Подвесные подшипниковые узлы
Подшипники для борон
Подшипниковые корпуса
Подшипниковые узлы INA
Подшипниковые узлы NKE
Подшипниковые узлы в корпусе из серого чугуна
Подшипниковые узлы в резиновом корпусе
Подшипниковые узлы в стальном корпусе
Подшипниковые узлы на лапах
Узлы в корпусе из высокопрочного чугуна
Фланцевые подшипниковые узлы
Показать еще
Корпуса подшипников
Корпуса подшипников SKF
Разъёмные корпуса SD
Разъемные корпуса SNG
Разъемные корпуса SNL
Разъемные корпуса серии 200
Торцевые крышки
Уплотнения
Упорные кольца
Фланцевые корпуса
Показать еще
Ступицы
Ступицы для дисковых борон
Ступицы для посевной техники
Ступицы роликовые
Показать еще
Валы
Валы с опорой
Линейные подшипники
Линейные подшипники Bosch Rexroth
Линейные подшипники в сборе с корпусом
Опоры
Прецизионные валы
Показать еще
Измерительный инструмент
Индикаторы и стойки
Линейный и угломерный инструмент
Микрометрический инструмент
Нутромеры и скобы
Отраслевые приборы
Поверочный инструмент и меры
Приборы контроля
Принадлежности к измерительному инструменту
Штангенинструмент
Показать еще
Насосы
Насосы In-Line
Насосы для воды
Насосы для нефтепродуктов, масел, битума, вязких сред
Насосы для перекачивания газообразных смесей
Показать еще
ОПУ
Аналоги ОПУ
Опорно поворотные устройства INNER
Опорно-поворотные устройства для автокранов
Опорно-поворотные устройства для экскаваторов
ОПУ с червячным приводом
ОПУ стандартные
ОПУ фланцевые
Прецизионная серия для поворотных кругов (столов)
Прецизионная серия с перекрестными роликами
Показать еще
Рельсы и каретки
ABBA
Bosch Rexroth
HIWIN
IGUS
IKO
INA
NSK
PMI
Rollon
Schneeberger
SKF
THK
Гофрозащита
Каретки
Картриджи
Направляющие
Показать еще
Техника автоматизации Siemens
SIPLUS extreme
Блоки питания SITOP
Контролеры SIMATIC
Промышленные компьютеры Simatic IPC
Промышленные сети SIMATIC NET
Прочие продукты
Распределенная периферия
Системы визуализации SIMATIC HMI
Показать еще
ШВП
Винты ШВП
Гайки ШВП
Держатели для гаек ШВП
Опоры ШВП
ШВП Hiwin
ШВП KSS
ШВП NSK
ШВП PMI
ШВП TBI
ШВП THK
ШВП для станков
Показать еще
Элементы трансмиссии
CHIARAVALLI
Виброгасящие муфты
Втулки тапербуш
Двойные звездочки для однорядных цепей
Жесткие муфты
Зажимные втулки
Звездочки без ступицы под расточку
Звездочки натяжные для цепи
Звездочки под втулку тапербуш
Звездочки с калеными зубьями со ступицей
Звездочки со ступицей под расточку
Звездочки специального стандарта
Зубчатые колеса без ступицы
Зубчатые колеса со ступицей
Зубчатые колеса со ступицей с калеными зубьями
Конические зубчатые пары
Ремни
Сильфонные муфты
Спиральные муфты
Цепи двухрядные
Цепи однорядные
Цепи трехрядные
Чугунные звездочки под втулку тапербуш
Чугунные звездочки под расточку
Шкивы зубчатые под втулку тапербуш
Шкивы зубчатые под расточку
Шкивы клиновые под втулку тапербуш
Шкивы клиновые под расточку
Показать еще
Трапецеидальные гайки и винты
Трапецеидальные винты
Трапецеидальные гайки
Приводная техника
Мотор-редукторы
Редукторы
Устройства плавного пуска
Частотные преобразователи
Электродвигатели
Показать еще
Шариковые опоры
Шариковые опоры Omnitrack
Шариковые опоры без фланца
Шариковые опоры с фланцем
Показать еще
Электроинструменты
Kress
Зубчатые рейки
Смазки
Инженерам
Показать еще
Муфты и соединительные элементы
Современные технологии производства
ГОСТы и стандарты
Термическая обработка и покрытия
Материалы в машиностроении
Измерительные инструменты и контроль
Допуски и посадки
Гидравлические системы
Пневматические системы
Редукторы и механические передачи
Управление двигателями и автоматизация
Электродвигатели
Шариковые опоры и транспортные системы
Валы и оси механизмов
Трапецеидальные передачи
Подшипники качения
Опорно-поворотные устройства (ОПУ)
Звездочки и цепные передачи
Шкивы и ременные передачи
Зубчатые рейки и реечные передачи
Зубчатые колеса и шестерни
Прецизионные валы и валы для ЧПУ
Каретки и линейные подшипники
Рельсовые направляющие
Расчет и обслуживание ШВП
Шарико-винтовые передачи (ШВП)
Диагностика подшипников
Обслуживание и смазка подшипников
Подшипниковые узлы и корпуса
Подшипники скольжения
Калькуляторы
Информация
Новости
Часто задаваемые вопросы
Правовая информация
Услуги
Производство под заказ из Китая
Изготовление по чертежам
Экспресс доставка из Китая
Оплата инвойса в Китай
Чертежи
Каталоги PDF
Блог
Инженерные термины и определения
Познавательное
Компания
О компании
Реквизиты
Вакансии
Контакты
Акция
Подшипники SKF -15%!
Скидка на подшипники из наличия!
Новинка
Каталог 2025
Уже доступен
INNER
Меню
Главная
Каталог
Показать еще
Подшипники
Высокотемпературные подшипники
Закрепительные втулки
Корпусные подшипники
Низкотемпературные подшипники
Обгонные муфты
Обгонные муфты INNER
Опорно-поворотные устройства
Опорные ролики
Подшипники ART
Подшипники ASAHI
Подшипники BECO
Подшипники IKO
Подшипники INA
Подшипники KOYO
Подшипники NACHI
Подшипники NKE
Подшипники NSK
Подшипники NTN
Подшипники TIMKEN
Подшипники ZKL
Подшипники из нержавеющей стали
Подшипники скольжения
Роликовые подшипники
Сферический наконечник для штока
Шариковые подшипники
Шариковые подшипники ГОСТ
Шарнирные наконечники
Показать еще
Подшипниковые узлы
Подшипниковые узлы UK
Подшипниковые узлы UC
Подшипниковые узлы SB
Кассетные подшипниковые узлы
Натяжные подшипниковые узлы
Подвесные подшипниковые узлы
Подшипники для борон
Подшипниковые корпуса
Подшипниковые узлы INA
Подшипниковые узлы NKE
Подшипниковые узлы в корпусе из серого чугуна
Подшипниковые узлы в резиновом корпусе
Подшипниковые узлы в стальном корпусе
Подшипниковые узлы на лапах
Узлы в корпусе из высокопрочного чугуна
Фланцевые подшипниковые узлы
Показать еще
Корпуса подшипников
Корпуса подшипников SKF
Разъёмные корпуса SD
Разъемные корпуса SNG
Разъемные корпуса SNL
Разъемные корпуса серии 200
Торцевые крышки
Уплотнения
Упорные кольца
Фланцевые корпуса
Показать еще
Ступицы
Ступицы для дисковых борон
Ступицы для посевной техники
Ступицы роликовые
Показать еще
Валы
Валы с опорой
Линейные подшипники
Линейные подшипники Bosch Rexroth
Линейные подшипники в сборе с корпусом
Опоры
Прецизионные валы
Показать еще
Измерительный инструмент
Индикаторы и стойки
Линейный и угломерный инструмент
Микрометрический инструмент
Нутромеры и скобы
Отраслевые приборы
Поверочный инструмент и меры
Приборы контроля
Принадлежности к измерительному инструменту
Штангенинструмент
Показать еще
Насосы
Насосы In-Line
Насосы для воды
Насосы для нефтепродуктов, масел, битума, вязких сред
Насосы для перекачивания газообразных смесей
Показать еще
ОПУ
Аналоги ОПУ
Опорно поворотные устройства INNER
Опорно-поворотные устройства для автокранов
Опорно-поворотные устройства для экскаваторов
ОПУ с червячным приводом
ОПУ стандартные
ОПУ фланцевые
Прецизионная серия для поворотных кругов (столов)
Прецизионная серия с перекрестными роликами
Показать еще
Рельсы и каретки
ABBA
Bosch Rexroth
HIWIN
IGUS
IKO
INA
NSK
PMI
Rollon
Schneeberger
SKF
THK
Гофрозащита
Каретки
Картриджи
Направляющие
Показать еще
Техника автоматизации Siemens
SIPLUS extreme
Блоки питания SITOP
Контролеры SIMATIC
Промышленные компьютеры Simatic IPC
Промышленные сети SIMATIC NET
Прочие продукты
Распределенная периферия
Системы визуализации SIMATIC HMI
Показать еще
ШВП
Винты ШВП
Гайки ШВП
Держатели для гаек ШВП
Опоры ШВП
ШВП Hiwin
ШВП KSS
ШВП NSK
ШВП PMI
ШВП TBI
ШВП THK
ШВП для станков
Показать еще
Элементы трансмиссии
CHIARAVALLI
Виброгасящие муфты
Втулки тапербуш
Двойные звездочки для однорядных цепей
Жесткие муфты
Зажимные втулки
Звездочки без ступицы под расточку
Звездочки натяжные для цепи
Звездочки под втулку тапербуш
Звездочки с калеными зубьями со ступицей
Звездочки со ступицей под расточку
Звездочки специального стандарта
Зубчатые колеса без ступицы
Зубчатые колеса со ступицей
Зубчатые колеса со ступицей с калеными зубьями
Конические зубчатые пары
Ремни
Сильфонные муфты
Спиральные муфты
Цепи двухрядные
Цепи однорядные
Цепи трехрядные
Чугунные звездочки под втулку тапербуш
Чугунные звездочки под расточку
Шкивы зубчатые под втулку тапербуш
Шкивы зубчатые под расточку
Шкивы клиновые под втулку тапербуш
Шкивы клиновые под расточку
Показать еще
Трапецеидальные гайки и винты
Трапецеидальные винты
Трапецеидальные гайки
Приводная техника
Мотор-редукторы
Редукторы
Устройства плавного пуска
Частотные преобразователи
Электродвигатели
Показать еще
Шариковые опоры
Шариковые опоры Omnitrack
Шариковые опоры без фланца
Шариковые опоры с фланцем
Показать еще
Электроинструменты
Kress
Зубчатые рейки
Смазки
Инженерам
Показать еще
Муфты и соединительные элементы
Современные технологии производства
ГОСТы и стандарты
Термическая обработка и покрытия
Материалы в машиностроении
Измерительные инструменты и контроль
Допуски и посадки
Гидравлические системы
Пневматические системы
Редукторы и механические передачи
Управление двигателями и автоматизация
Электродвигатели
Шариковые опоры и транспортные системы
Валы и оси механизмов
Трапецеидальные передачи
Подшипники качения
Опорно-поворотные устройства (ОПУ)
Звездочки и цепные передачи
Шкивы и ременные передачи
Зубчатые рейки и реечные передачи
Зубчатые колеса и шестерни
Прецизионные валы и валы для ЧПУ
Каретки и линейные подшипники
Рельсовые направляющие
Расчет и обслуживание ШВП
Шарико-винтовые передачи (ШВП)
Диагностика подшипников
Обслуживание и смазка подшипников
Подшипниковые узлы и корпуса
Подшипники скольжения
Калькуляторы
Информация
Новости
Часто задаваемые вопросы
Правовая информация
Услуги
Производство под заказ из Китая
Изготовление по чертежам
Экспресс доставка из Китая
Оплата инвойса в Китай
Чертежи
Каталоги PDF
Блог
Инженерные термины и определения
Познавательное
Компания
О компании
Реквизиты
Вакансии
Контакты
Контакты
+7 (499) 302-16-40
sale@inner.su
engi@inner.su (инженеру)
RU
EN
中文
Инженерные термины и определения
Познавательное
Главная
Каталог товаров
Рельсы и каретки
THK
Линейные шариковые каретки THK
Линейная шариковая каретка SVS65LR THK
Линейная шариковая каретка SVS65LR THK
Товар Линейная шариковая каретка SVS65LR THK
Линейная шариковая каретка SVS65LR THK
В наличии
Артикул:
SVS 65 LR
Информация о товаре, включая указанную стоимость, носит исключительно информационный характер и не является публичной офертой, определяемой положениями ст. 437 Гражданского кодекса РФ.
Актуальную цену, наличие и условия поставки товара просим уточнять у специалистов отдела продаж.
В настоящее время компания осуществляет отгрузку продукции только юридическим лицам по безналичному расчету.
Запросить
Характеристики
Описание
Артикул
SVS 65 LR
Высота H, мм
75
Длина L, мм
246
Класс точности
N - нормальный
Типоразмер
65
b, мм
76
t, мм
21.6
L1, мм
203.6
Тип направляющей
шариковые направляющие
Версия каретки
с шариковым сепаратором
Высота каретки
стандартной высоты
Длина каретки
удлиненная
Серия кареток
SVS-LR
Тип конструкции каретки
блочного исполнения
Ширина каретки
стандартной ширины
Вес каретки, кг
8.5
Вес рельса, кг/м
19.6
Смазочный нипель
B-PT1/9
Максимальная длина рельса, мм
3000
Доп стат момент (1 каретка) Мb, kHm
9.88
Доп стат момент (1 каретка) Мc, kHm
9.16
Доп стат момент (1 каретка) Ма, kHm
10.7
Доп стат момент (2 каретки) Мb, kHm
45.8
Доп стат момент (2 каретки) Ма, kHm
49.6
Статическая грузоподьемность, kN
370
Характеристики
SVS 65 LR
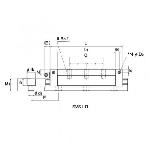
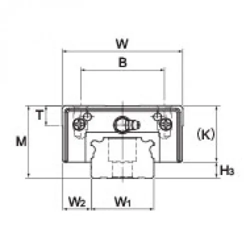
Характеристики направляющей
Серия направляющих
SVS
Тип направляющей
шариковые направляющие
Класс точности
N - нормальный
Типоразмер
65
Характеристики каретки
B, мм
76
C, мм
110
D0, мм
8.2
E, мм
16
e0, мм.
8.7
f0, мм.
15
K, мм
60
L, мм
246
L1, мм
203.6
M, мм
75
M1, мм
43
N, мм
19
S×ℓ
M16×20
T, мм
21.6
W, мм
126
Версия каретки
с шариковым сепаратором
Высота каретки
стандартной высоты
Длина каретки
удлиненная
Серия кареток
SVS-LR
Смазочный нипель
B-PT1/9
Тип конструкции каретки
блочного исполнения
Ширина каретки
стандартной ширины
Вес каретки, кг.
8.5
Характеристики рельса
W1, мм
63
d1×d2×h, мм
18×26×23
F, мм
150
H3, мм
15
W2, мм
31.5
Максимальная длина рельса, мм
3000
Вес рельса, кг/м
19.6
Нагрузки
Динамическая грузоподьемность, kN
260
Доп. стат. момент (1 каретка) Мb, kHm
9.88
Доп. стат. момент (1 каретка) Мc, kHm
9.16
Доп. стат. момент (1 каретка) Ма, kHm
10.7
Доп. стат. момент (2 каретки) Мb, kHm
45.8
Доп. стат. момент (2 каретки) Ма, kHm
49.6
Статическая грузоподьемность, kN
370