Производство по чертежам Подбор аналогов Цены производителя Оригинальная продукция в короткие сроки
INNERпроизводство и поставка промышленных комплектующих и оборудования
INNER
Контакты

Цилиндрическая редукторная ступень PC080

Товар Цилиндрическая редукторная ступень PC080
  • Цилиндрическая редукторная ступень PC080
  • Цилиндрическая редукторная ступень PC080
  • Цилиндрическая редукторная ступень PC080
В наличии
Информация о товаре, включая указанную стоимость, носит исключительно информационный характер и не является публичной офертой, определяемой положениями ст. 437 Гражданского кодекса РФ.

Актуальную цену, наличие и условия поставки товара просим уточнять у специалистов отдела продаж.

В настоящее время компания осуществляет отгрузку продукции только юридическим лицам по безналичному расчету.
  • Характеристики
  • Описание
  • Серия
    PC
  • Типоразмер
    80
  • Передаточное число
    3
  • Габарит входного фланца ступени
    80B5
  • Габарит выходного фланца ступени
    100B14

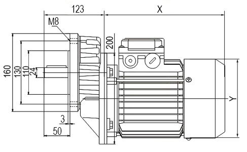
Цилиндрическая редукторная ступень PC080 используется для повышения крутящего момента червячного мотор-редуктора. Номинальная мощность совместимого двигателя составляет 0.37 – 1.1 кВт. Передаточное число ступени – 3. Корпус редуктора изготовлен из алюминиевого сплава и имеет два фланца – входной B5 и выходной B14.

Схема типового обозначения

PC - 080 - 3 - 80B5/100B14

  • PC - тип цилиндрической редукторной ступени
  • 080 - типоразмер
  • 3 - передаточное число
  • 80B5 - габарит входного фланца ступени
  • 100B14 - габарит выходного фланца ступени