Производство по чертежам Подбор аналогов Цены производителя Оригинальная продукция в короткие сроки
INNERпроизводство и поставка промышленных комплектующих и оборудования
INNER
Контакты

Планетарный мотор-редуктор SPN15

Товар Планетарный мотор-редуктор SPN15
  • Планетарный мотор-редуктор SPN15
  • Планетарный мотор-редуктор SPN15
  • Планетарный мотор-редуктор SPN15
В наличии
Информация о товаре, включая указанную стоимость, носит исключительно информационный характер и не является публичной офертой, определяемой положениями ст. 437 Гражданского кодекса РФ.

Актуальную цену, наличие и условия поставки товара просим уточнять у специалистов отдела продаж.

В настоящее время компания осуществляет отгрузку продукции только юридическим лицам по безналичному расчету.
  • Характеристики
  • Описание
  • Серия
    SPN
  • Типоразмер
    15
  • Передаточное число
    225
  • Монтажное положение
    A
  • Количество передаточных ступеней
    4
  • Исполнение выходного вала
    FP
  • Исполнение входного вала
    D100

Планетарный мотор-редуктор SPN15 общепромышленного назначения обеспечивает передаточное отношение 17,4 — 1805 при скорости вращения вала 1500 об/мин. В состав мотор-редуктора входят 2-4 передаточные ступени и электродвигатель мощностью 8,2 — 200 кВт.

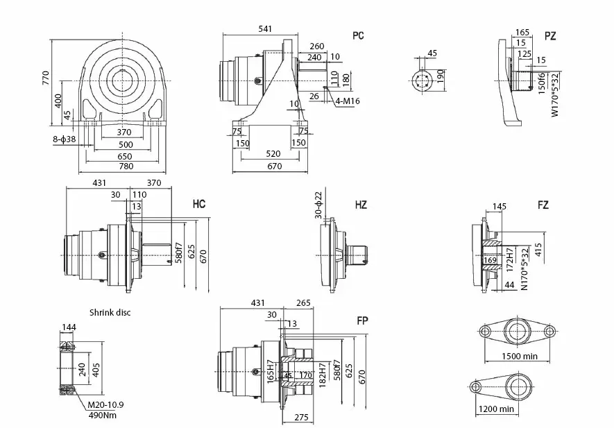
Монтажное исполнение / исполнение выходного вала

PC - лапы и вал со шпонкой
MC - фланец и вал со шпонкой
HC - фланец и усиленный вал со шпонкой
FP - фланец и полый вал со стяжной муфтой
PZ - лапы и шлицевой вал
MZ - фланец и шлицевой вал
HZ - фланец и усиленный шлицевой вал
FZ - фланец и полый шлицевой вал
VK - вертикальное фланцевое исполнение выходного вала для мешалок и миксеров

Условное обозначение

SPN 15 R 4 225 FP D100 A W

  • SPN - мотор-редуктор планетарный
  • 15 - типоразмер
  • R - исполнение (L - соосный; R - угловой)
  • 4 - количество ступеней
  • 225 - передаточное число
  • FP - исполнение выходного вала
  • D100 - исполнение входного вала
  • A - монтажная позиция
  • W - опции выходного вала