Производство по чертежам Подбор аналогов Цены производителя Оригинальная продукция в короткие сроки
INNERпроизводство и поставка промышленных комплектующих и оборудования
INNER
Контакты

Планетарный мотор-редуктор SPN17

Товар Планетарный мотор-редуктор SPN17
  • Планетарный мотор-редуктор SPN17
  • Планетарный мотор-редуктор SPN17
  • Планетарный мотор-редуктор SPN17
В наличии
Информация о товаре, включая указанную стоимость, носит исключительно информационный характер и не является публичной офертой, определяемой положениями ст. 437 Гражданского кодекса РФ.

Актуальную цену, наличие и условия поставки товара просим уточнять у специалистов отдела продаж.

В настоящее время компания осуществляет отгрузку продукции только юридическим лицам по безналичному расчету.
  • Характеристики
  • Описание
  • Серия
    SPN
  • Типоразмер
    17
  • Передаточное число
    69.3
  • Монтажное положение
    A
  • Количество передаточных ступеней
    3
  • Исполнение выходного вала
    FZ
  • Исполнение входного вала
    D100

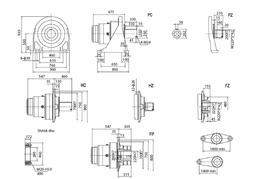
Планетарный мотор-редуктор SPN17 отличается оптимальным сочетанием компактности и мощности. Агрегат является аналогом мотор-редуктора Bonfiglioli 317. Привод комплектуется асинхронным двигателем мощностью до 150 кВт и рассчитан на тяжелые условия работы.

Монтажное исполнение / исполнение выходного вала

PC - лапы и вал со шпонкой
MC - фланец и вал со шпонкой
HC - фланец и усиленный вал со шпонкой
FP - фланец и полый вал со стяжной муфтой
PZ - лапы и шлицевой вал
MZ - фланец и шлицевой вал
HZ - фланец и усиленный шлицевой вал
FZ - фланец и полый шлицевой вал
VK - вертикальное фланцевое исполнение выходного вала для мешалок и миксеров

Условное обозначение

SPN 17 L 3 69.3 FZ D100 A W

  • SPN - мотор-редуктор планетарный
  • 17 - типоразмер
  • L - исполнение (L - соосный; R - угловой)
  • 3 - количество ступеней
  • 69.3 - передаточное число
  • FZ - исполнение выходного вала
  • D100 - исполнение входного вала
  • A - монтажная позиция
  • W - опции выходного вала