Комбинация корпусов SKF, подшипников и комплектующих - это отличный выбор для создания индивидуального, надежного и долговечного решения для вашей валовой системы.
SKF предлагает широкий ассортимент высококачественных конструкций и размеров корпусов для решения ваших конкретных задач, включая специально разработанные корпуса для особых применений.
Подшипники отражают современные технологии SKF, обеспечивая высочайшее качество.
Каждую деталь в комбинации необходимо приобретать отдельно:
Торцевая крышка из полипропилена для корпусов подшипников SNL: ASNH 517
Стопорная гайка с метрической резьбой для фиксации стопорной шайбой: KM 14
V-образное кольцевое уплотнение: TSN 314 A
Лабиринтное уплотнение: 2 x TSN 314 S
Стопорная шайба для метрических стопорных гаек: MB 14
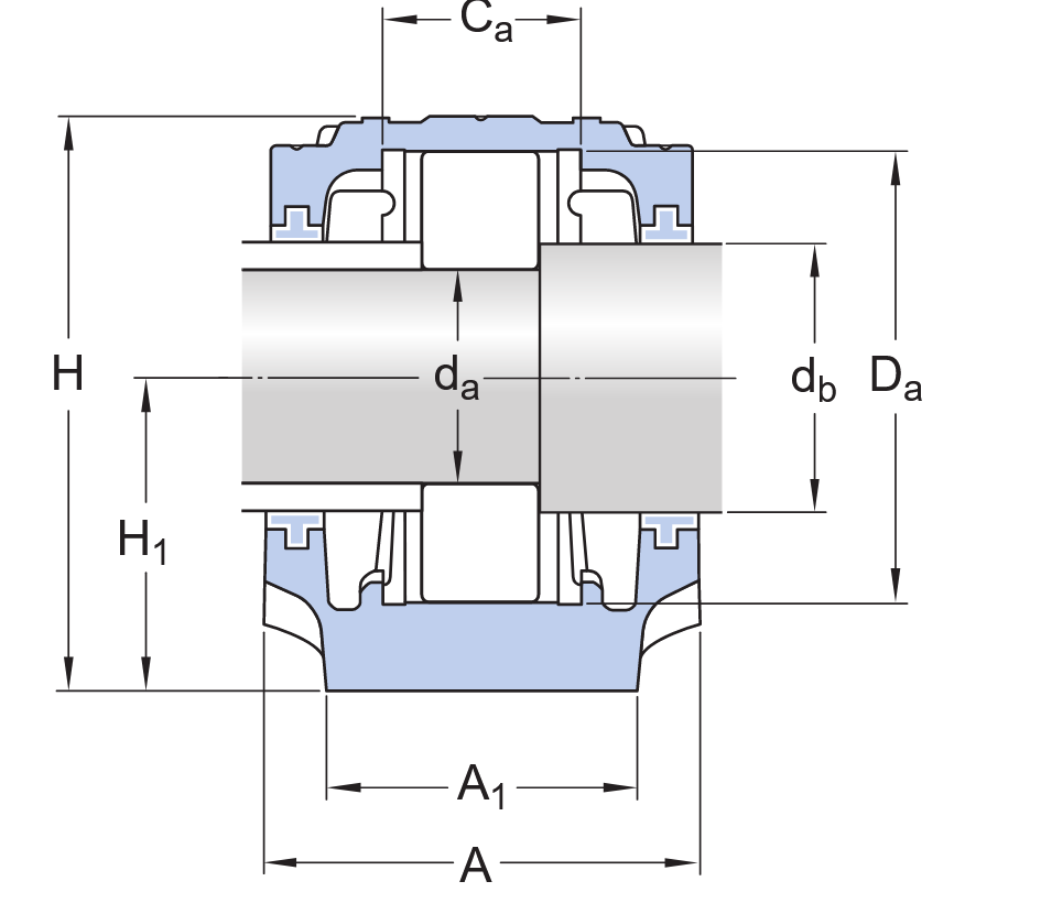
Установочное (стабилизирующее) кольцо: 2 x FRB 5/150. Корпус (FSNL 517)
Подшипник (22314 E)
Стопорная гайка (KM 14)
Стопорная шайба (MB 14)
Установочное кольцо (FRB 5/150).





