Комбинация корпусов SKF, подшипников и комплектующих - это отличный выбор для создания индивидуального, надежного и долговечного решения для вашей валовой системы.
SKF предлагает широкий ассортимент высококачественных конструкций и размеров корпусов для решения ваших конкретных задач, включая специально разработанные корпуса для особых применений.
Подшипники отражают современные технологии SKF, обеспечивая высочайшее качество.
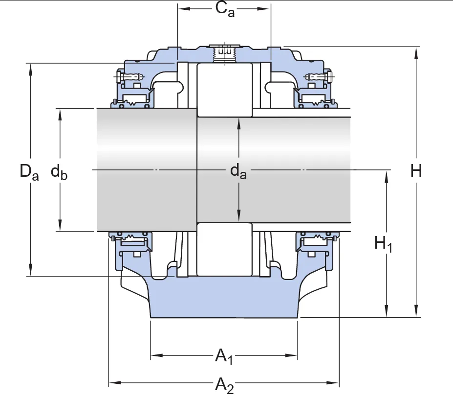
Каждую деталь в комбинации необходимо приобретать отдельно:
Стопорная гайка с метрической резьбой для фиксации стопорной шайбой: KM 15
Стопорная шайба для метрических стопорных гаек: MB 15
Установочное (стабилизирующее) кольцо: 2 x FRB 5/160. Корпус с уплотнениями (SNL 315 TURU)
- включая сальник (TSN 315 U)
Подшипник (22315 E)
Стопорная гайка (KM 15)
Стопорная шайба (MB 15)
Установочное кольцо (FRB 5/160)
Торцевая крышка (ASNH 218 R).





