Производство по чертежам Подбор аналогов Цены производителя Оригинальная продукция в короткие сроки
INNERпроизводство и поставка промышленных комплектующих и оборудования
INNER
Контакты

Червячный мотор-редуктор NMRV 030

Товар Червячный мотор-редуктор NMRV 030
  • Червячный мотор-редуктор NMRV 030
  • Червячный мотор-редуктор NMRV 030
  • Червячный мотор-редуктор NMRV 030
В наличии
Информация о товаре, включая указанную стоимость, носит исключительно информационный характер и не является публичной офертой, определяемой положениями ст. 437 Гражданского кодекса РФ.

Актуальную цену, наличие и условия поставки товара просим уточнять у специалистов отдела продаж.

В настоящее время компания осуществляет отгрузку продукции только юридическим лицам по безналичному расчету.
  • Характеристики
  • Описание
  • Серия
    NMRV
  • Типоразмер
    30
  • Передаточное число
    10
  • Монтажное положение
    B2
  • Скорость вращения выходного вала, об/мин
    280
  • Мощность электродвигателя, кВт
    0,37

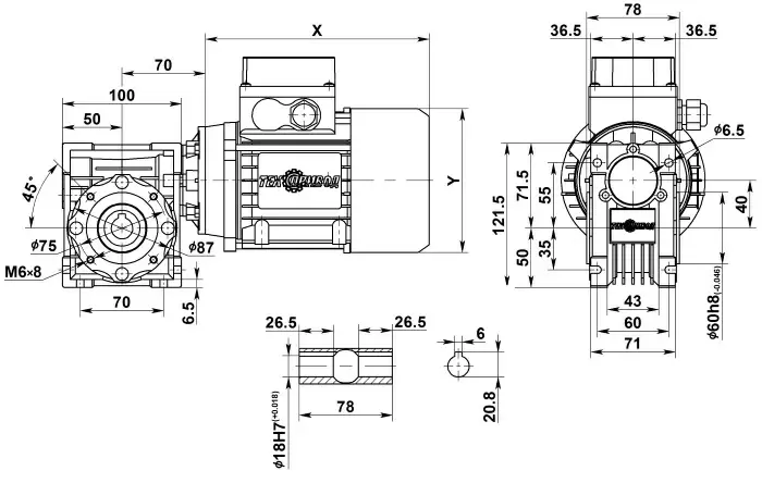
Одноступенчатый червячный мотор-редуктор NMRV 030 развивает крутящий момент до 24 Нм. Фактические передаточные числа: от 5 до 80. В состав мотор-редуктора входит трехфазный асинхронный двигатель стандарта IEC мощностью 0,06 — 0,37 кВт. Привод может комплектоваться реактивной штангой, выходным фланцем, двухсторонним выходным валом.

Материалы деталей:
Корпус и фланцы - алюминий, червяк - сталь, венец червячного колеса - бронза.
Тип смазки: синтетическая ISO VG 320.
Вес: 1,2 кг.

Схема типового обозначения

NMRV - 030 - 10 - 280 - 0,37 - B2

  • NMRV - мотор-редуктор червячный
  • 030 - типоразмер (межосевое расстояние, мм)
  • 10 - передаточное число
  • 280 - скорость вращения выходного вала, об/мин
  • 0,37 - мощность электродвигателя, кВт
  • B2 - монтажное положение